Liên hệ: 0974 78 1669
HƯỚNG DẪN SỬ DỤNG
CÔNG TẮC CẢM ỨNG ÁNH SÁNG : Luna 109
Giới thiệu :

Đây là thiết bị cảm ứng ánh sáng dạng analog, sensor cảm biến rời, cảm ứng mở đèn khi trời tối và tắt đèn khi trời sáng.
Ứng dụng thực tế:
Thiết bị gắn thanh ray,dùng để tắt mở đèn đường, đèn cổng…
Thông số kỹ thuật:
- Điện áp nguồn : 180 ~ 230V.
- Tần số : 50 Hz.
- Công suất chịu tải : 1500W (sợi đốt)
- 250~300W (compact/LED) .
- Điều chỉnh thời gian trễ từ 30 giây đến 60 giây.
- Điều chỉnh độ sáng từ 2 lux đến 2000 lux.
- Công suất tiêu thụ : 0.1W/h.
Các núm vặn điều chỉnh :
Núm Vặn LUX : Dùng để điều chỉnh độ Lux( sắng mở đèn).
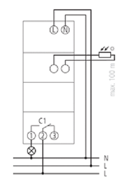
Lắp đặt và sử dụng
- Tắt nguồn điện trước khi tháo lắp.
- Lắp thiết bị vào thanh ray có sẵn, đấu dây nguồn vào 2 cực N và L trên thiết bị, N chung ra đèn 1 dây đèn khác đấu vào chân số 1, chân số 2 đấu vào L, đầu cảm ứng rời đưa ra ngoài nơi thiếu ánh sáng đấu 2 đầu dây vào cảm ứng và nối với 2 điểm 1 điểm có hình mặt trời, 1 điểm có hình 2 mũi tên.
- Nhấn nút test xem thiết bị có hoạt động tốt không, chỉnh độ LUX thích hợp ánh sáng cho tắt mở thiết bị, khi có ánh sáng sáng hơn độ lux học mở đèn thì thiết bị sẽ ngắt.
- Trên thiết bị có 2 đèn, đèn xanh và đèn đỏ, đèn xanh là đèn báo nguồn, đèn đỏ lầ đèn báo cảm biến khi đang hoạt động, khi đèn đỏ tắt có nghĩa là thiết bị không cảm biến nữa.
- Thời gian trễ để tắt mở đèn là 30 giây đến 60 giây.
Lưu ý :
- Vì sự an toàn bạn không tự mở thiết bị khi không hiểu biết về thiết bị.
- Để tránh hư hỏng không mong muốn của sản phẩm bạn nên lắp thêm cầu chì hoặc thiết bị bảo vệ an toàn khác.
Số điện thoại tư vấn kỹ thuật: 0974.78.1669.
Website: http://www.thietbidiensimon.vn/
